运算放大器
运算放大器(简称“运放”)是具有很高放大倍数的电路单元。在实际电路中,通常结合反馈网络共同组成某种功能模块。它是一种带有特殊耦合电路及反馈的放大器。其输出信号可以是输入信号加、减或微分、积分等数学运算的结果。 [1] 由于早期应用于模拟计算机中,用以实现数学运算,故得名“运算放大器”。运放是一个从功能的角度命名的电路单元,可以由分立的器件实现,也可以实现在半导体芯片当中。随着半导体技术的发展,大部分的运放是以单芯片的形式存在。运放的种类繁多,广泛应用于电子行业当中。
运放如图有两个输入端a(反相输入端),b(同相输入端)和一个输出端o。也分别被称为倒向输入端非倒向输入端和输出端。当电压U-加在a端和公共端(公共端是电压为零的点,它相当于电路中的参考结点。)之间,且其实际方向从a 端高于公共端时,输出电压U实际方向则自公共端指向o端,即两者的方向正好相反。当输入电压U+加在b端和公共端之间,U与U+两者的实际方向相对公共端恰好相同。为了区别起见,a端和b 端分别用“-”和“+”号标出,但不要将它们误认为电压参考方向的正负极性。电压的正负极性应另外标出或用箭头表示。
一般可将运放简单地视为:具有一个信号输出端口(Out)和同相、反相两个高阻抗输入端的高增益直接耦合电压放大单元,因此可采用运放制作同相、反相及差分放大器。
运放的供电方式分双电源供电与单电源供电两种。对于双电源供电运放,其输出可在零电压两侧变化,在差动输入电压为零时输出也可置零。采用单电源供电的运放,输出在电源与地之间的某一范围变化。
运放的输入电位通常要求高于负电源某一数值,而低于正电源某一数值。经过特殊设计的运放可以允许输入电位在从负电源到正电源的整个区间变化,甚至稍微高于正电源或稍微低于负电源也被允许。这种运放称为轨到轨(rail-to-rail)输入运算放大器。
运算放大器的输出信号与两个输入端的信号电压差成正比,在音频段有:输出电压=A0(E1-E2),其中,A0 是运放的低频开环增益(如 100dB,即 倍),E1 是同相端的输入信号电压,E2 是反相端的输入信号电压。
运算放大器是用途广泛的器件,接入适当的反馈网络,可用作精密的交流和直流放大器、有源滤波器、振荡器及电压比较器。
反相放大器
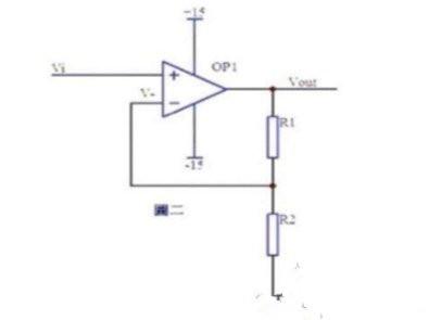
电子电路中的运算放大器,有同相输入端和反相输入端,输入端的极性和输出端是同一极性的就是同相放大器,而输入端的极性和输出端相反极性的则称为反相放大器。反相放大器电路具有放大输入信号并反相输出的功能。
反相放大器电路具有放大输入信号并反相输出的功能。“反相”的意思是正、负号颠倒。这个放大 器应用了负反馈技术。所谓负反馈,即将输出信号的一部分返回到输入,在图所示电路中,象把输出Vout经由R2 连接(返回)到反相输入端(-)的连接方法就是负反馈。
运算放大器具有以下特点,当输出端不加电源电压时,正相输入端(+)和反相输入端(-)被认为施加了相同的电压,也就是说可以认为是虚短路。所以,当正相输入端 (+)为0V时,A点的电压也为0V。
运算放大器的输入阻抗极高,反相输入端(-)中基本上没有电流。因此,当Ie经由A点流向R2时,I1和I2电流基本相等。由以上条件,对R2使用欧姆定律,则得出Vout=- I1xR2。I1为负是因为I2从电压为0V的点A 流出。换一个角度来看,当反相输入端(-)的输入电压上升时,输出会被反相,向负方向大幅度放大。由于这 个负方向的输出电压经由R2与反相输入端相连,因此,会使反相输入端(-)的电压上升受阻。反相输入端和正 相输入端电压都变为0V,输出电压稳定。
通过这个放大器电路中输入与输出的关系来计算一下增益。增益是Vout和Vin的比,即 Vout/Vin= (-I1xR2) / (I1xR1) =- R2/R1。所得增益为-,表示波形反相。
应用:
积分器
将原来反相放大器R2电阻,换成一颗电容器C2 , 此时输入信号Vi与输出信号Vo之关系,形成一积分关系。
微分器
将原来反相放大器R1电阻,换成一颗电电容器C ,此时输入信号Vi与输出信号Vo之关系,即变形成一微分关系。
加法器
若将反相放大器稍微变化一下,此时输入信号与输出信号Vo之关系,若R1 = R2 = R3 =。..= Rn = Rf,就可简化为Vo =-(V1+V2+V3+.。.+Vn),形成一加法关系。

电子电路中的运算放大器,有同相输入端和反相输入端,输入端的极性和输出端是同一极性的就是同相放大?
器,而输入端的极性和输出端相反极性的则称为反相放大器。


运放的同相和反相区别:
1、同相放大器的输入阻抗和运放的输入阻抗相等,接近无穷大,同相放大器的输入电阻取值大小不影响输入阻抗;而反相放大器的输入阻抗等于信号到输入端的串联电阻的阻值。因此当要求输入阻抗很高的时候就应选择同相放大器!
2、同相放大器的输入信号范围受运放的共模输入电压范围的限制,反相放大器则无此限制。因此如果要求输入阻抗不高且相位无要求时,首选反相放大,因为反相放大只存在差模信号,抗干扰能力强,可以得到更大的输入信号范围。
3、在设计中要求放大倍数相同的情况下尽量选择数值小的电阻配合,这样可以减小输入偏置电流的影响和分布电容的影响。如果很计较功耗,则要在电阻数值方面折中。
———END———
限 时 特 惠: 本站每日持续更新海量各大内部创业教程,永久会员只需109元,全站资源免费下载 点击查看详情
站 长 微 信: nanadh666



